Na -rate ang kasalukuyang 80A nang direkta
Kalagitnaan ng sertipikadong
Mataas na katumpakan na klase c
35mm din riles na naka -mount
Output ng pulso
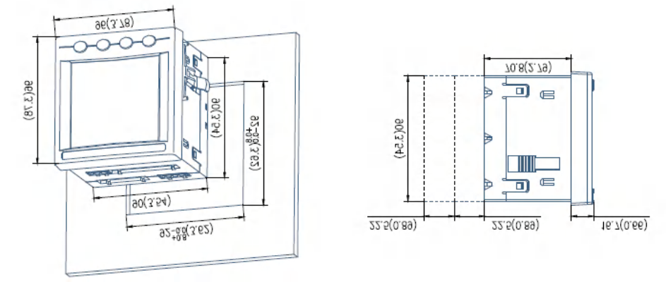
4 module 72mm lapad
Para sa IoT Energy Management, Factory, School $
Tunay na mga sukat ng RMS
Thd na may 63rd Harmonics
K-factor at crest factor
Hindi balanse at mga anggulo ng phase
Mga hinihingi at enerhiya ng multi-taripa
Max/min log na may timestamp $
+86-18702106858 / +86-21-69156352
Ang APM810 ay isang 0.2S-klase na three-phase AC multifunction panel meter na inhinyero para sa tumpak na pagsubaybay sa enerhiya, mga diagnostic na kalidad ng mga diagnostic at nangungupahan ng sub-pagsingil sa pang-industriya, komersyal at data-center switchboards. Ang compact 96 × 96 mm DIN enclosure ay nagho-host ng isang kulay na TFT touchscreen na nagpapakita ng totoong boltahe ng RMS sa 690 V, kasalukuyang, dalas, aktibo/reaktibo/maliwanag na kapangyarihan, PF, demand, harmonics sa 63rd, THD at apat na quadrant kWh/kvarh. Dual RS485 MODBUS-RTU, Ethernet TCP/IP, BACNET/IP, SNMP at Opsyonal na Wi-Fi/LORA ay naghahatid ng seamless BMS/EMS pagsasama, habang ang 4 MB onboard memory logs 12-buwan na mga profile ng pag-load para sa mga audits ng enerhiya. Ang configure over/sa ilalim ng boltahe, kasalukuyang, PF at harmonic alarms drive relay output o digital input para sa Smart Breaker Control; Sinusuportahan ng Pulse, Soe at Tariff Tou ang utility ami, solar net-metering at mga application na singilin ng EV. Malawak na 3 × 57.7-6690 V, 0.001–10 isang direktang o koneksyon sa CT/VT kasama ang tamper-proof sealing magkasya sa anumang smart-grid o micro-grid na paglawak.
| Mga teknikal na parameter | Halaga | |||
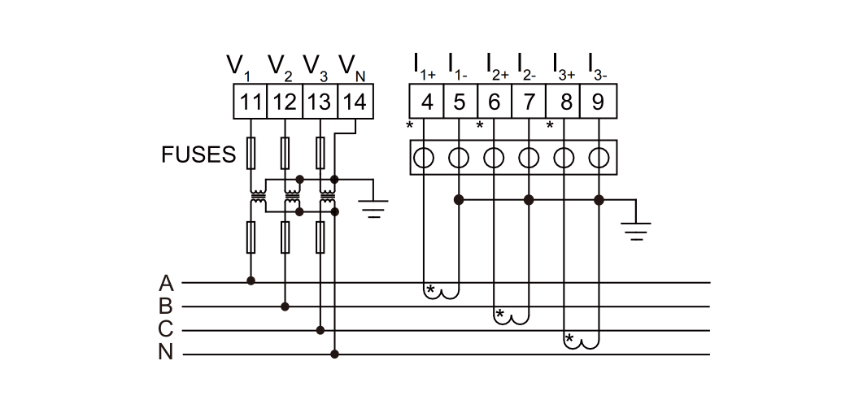
| Input | Koneksyon | Single phase-2-wire, 3-phase-3-wire, 3-phase-4-wire | ||
| Kadalasan | 45-65Hz | |||
| Boltahe | Rating: | |||
| Single-phase: AC 100V 、 400V | ||||
| Three-phase: AC 3 × 57.7V/100V (100V) 、 3 × 220V/380V (400V) 、 3 × 380V/660V (660V) (96 laki lamang) | ||||
| Overload: 1.2 fold rating {tuloy -tuloy): 2 fold rating para sa 1 segundo | ||||
| Pagkonsumo ng Power: <0.5va | ||||
| Kasalukuyan | Rating: Ac ia 、 5a | |||
| Overload: 1.2 fold rating (tuloy -tuloy); 10fold rating para sa 1 segundo | ||||
| Pagkonsumo ng Power: <0.5va | ||||
| Output | Electric Energy | Output Mode: Open-collector Photo-Coupler Pulse | ||
| Pulse Constant: 10000imp/kWh (naayos) , Tingnan ang diagram ng mga kable para sa mga detalye ; | ||||
| Komunikasyon | RS485PORT, MODBUS -RTU Protocol, DLT645 Protocol (Mga Bersyon 07 at 97) , | |||
| Baud Rate 1200 ~ 38400 | ||||
| Function | Paglilipat ng input | Dry contact input, built-in na supply ng kuryente; kung ang modelo ay KA, ito ay AC 220V aktibo. | ||
| Paglilipat ng output | Output Mode: Karaniwang buksan ang output ng contact | |||
| Kapasidad ng Makipag -ugnay: AC 250V/3A 、 DC 30V/3A | ||||
| Analog output | 4 - 20mA | |||
| Klase ng kawastuhan | Kadalasan:0.05Hz,Current、Voltage:0.2 class,Reactive power:l .0class,Reactive Electric energy:l .0class, active power:0.5class,active electric energy: 0.5class,2-31th harmonic measurement:±1% | |||
| Power Supply | AC/DC 85-265V o DC24V (± 20%) o DC48V (± 20%) | |||
| Power Consumption≤10va | ||||
| Seguridad | Ang dalas ng kuryente ay huminto sa boltahe | Sa pagitan ng power supply // paglipat ng output // kasalukuyang input // boltahe input at pagpapadala // komunikasyon // pulse output // paglipat ng input AC 2 kV 1min; | ||
| Sa pagitan ng power supply 、 paglipat ng output 、 kasalukuyang input 、 boltahe input AC 2 kV 1min; | ||||
| Sa pagitan ng pagpapadala ng 、 komunikasyon 、 Pulse Output 、 Paglipat ng input AC 1KV 1 min; | ||||
| Paglaban sa pagkakabukod | Pag -input 、 Pagtatapos ng Output sa Enclosure ng Machine> 100MΩ | |||
| Kapaligiran | Temperatura | Trabaho: -25 ° C ~ 65 ° C Imbakan: -40 ° C ~ 80 ° C. | ||
| Kahalumigmigan | ≤93%rh non-condensing | |||
| Taas | ≤2500m $ | |||
Power Monitoring Solution $
Itinatag noong 2003, ang Acrel Co., Ltd.【Stock Code: 300286.SZ】 ay isang high-tech na negosyo na dalubhasa sa mga solusyon sa pamamahala ng enerhiya at kaligtasan sa kuryente. Ang punong tanggapan nito ay nasa Shanghai, at nag-aalok ang Acrel ng mga makabago at napapanatiling solusyon para sa kahusayan sa enerhiya ng microgrid at kaligtasan sa kuryente. Taglay ang mahigit 600 patente at copyright ng software, ang Acrel ay nakapagpatupad na ng mahigit 28,000 solusyon sa sistema sa buong mundo, na bumubuo ng isang komprehensibong arkitektura ng internet sa enerhiya na "cloud-edge-end".
Acrel Co., Ltd. ay Pakyawan ng Tsina AC Tatlong Phase Programmable Panel Mounted Energy Meter Mga Tagagawa at AC Tatlong Phase Programmable Panel Mounted Energy Meter Pabrika. Ang integrated product ecosystem ng Acrel ay sumasaklaw mula sa cloud platform software hanggang sa mga end-user component, na sumasaklaw sa mga sektor tulad ng kuryente, renewable energy, data center, smart buildings, transportasyon, at smart cities. Ang mga solusyong ito ay nagbibigay-daan sa matalino at real-time na pamamahala ng enerhiya, pagpapahusay ng seguridad ng enerhiya at pagbabawas ng mga gastos sa pagpapatakbo. Nag-aalok kami AC Tatlong Phase Programmable Panel Mounted Energy Meter ipinagbibili.
Ang pasilidad ng produksyon ng kumpanya, ang Jiangsu Acrel Electric Manufacturing Co., Ltd., ay sumusunod sa mahigpit na pamantayan ng kalidad at mga alituntunin sa kapaligiran, na may mga advanced na sentro ng pagsubok at pangako sa mga proseso ng produksyon na walang tingga. Ang pangkat ng Acrel na binubuo ng mahigit 500 inhinyero ay naghahatid ng mga makabagong sistema ng kahusayan sa enerhiya at mga solusyon sa matalinong enerhiya.
Taglay ang matibay na presensya sa loob ng bansa, ang Acrel ay aktibong lumalawak sa buong mundo, sinusuportahan ng isang pandaigdigang network ng mga pangkat ng benta at teknikal at isang plataporma ng e-commerce na nagsisiguro ng maayos na karanasan sa serbisyo sa buong mundo. Ipinagmamalaki ng Acrel na tulungan ang mga negosyo na mapabuti ang kahusayan, mabawasan ang pagkonsumo, at makamit ang mga layunin sa pagpapanatili.
Sama-sama, tayo ay bumubuo ng isang mas matalino at mas luntiang kinabukasan.
Mga Awtorisadong Patent
0+Bilang ng mga Kustomer na Pinaglilingkuran
0+Kabuuang Empleyado
0+Base ng Paggawa
0m²Maligayang pagdating upang kumonekta Sa konteksto ng mabilis na pag-unlad ng bagong industriya ng enerhiya, ang mga sitwasyon tulad ng komersyal at pang-industriya na imbakan ng enerhiya , mga istasyon ng pagpapalit ng baterya , at mga sistema ng pag-iimbak ng photovolta...
Magbasa PaBackground ng Industriya at Kahalagahan ng Aplikasyon Ang mga busbar ay nagsisilbing backbone ng mga electrical distribution system sa mga industriya mula sa switchgear, industrial drives, renewable energy inverters, battery energy storage system (BESS), at electric vehicle power electronics. ...
Magbasa PaBackground ng Industriya at Kahalagahan ng Aplikasyon Ang mabilis na paggamit ng mga de-kuryenteng sasakyan (EV) ay nagtutulak ng mga bagong kinakailangan sa imprastraktura sa mga kapaligirang tirahan ng maraming nangungupahan gaya ng mga apartment complex, mga gusaling pinaghalo-halong gamit,...
Magbasa Pa